Przełącznik gwiazda-trójkąt to kluczowe rozwiązanie w automatyce przemysłowej, służące do łagodnego rozruchu silników trójfazowych. To niezawodny sposób na redukcję prądu rozruchowego. Pozwala chronić silnik przed uszkodzeniem. System działa dwuetapowo. Najpierw uruchamia silnik w układzie gwiazdy. Następnie przełącza go na układ trójkąta.
Zastosowanie tego rozwiązania jest szczególnie istotne przy uruchamianiu nieobciążonych silników. Zmniejsza zużycie energii. Wydłuża żywotność urządzenia. Zapewnia stabilną pracę układu.
Najważniejsze informacje:- Redukuje prąd rozruchowy o około 1,73 raza
- Wymaga trzech styczników i przekaźnika czasowego
- Działa w dwóch fazach: rozruch w gwieździe, praca w trójkącie
- Potrzebuje odpowiednich zabezpieczeń nadprądowych
- Zapewnia ochronę silnika podczas startu
- Jest powszechnie stosowany w przemyśle
- Wymaga prawidłowej konfiguracji czasowej
- Musi posiadać blokady mechaniczne i elektryczne
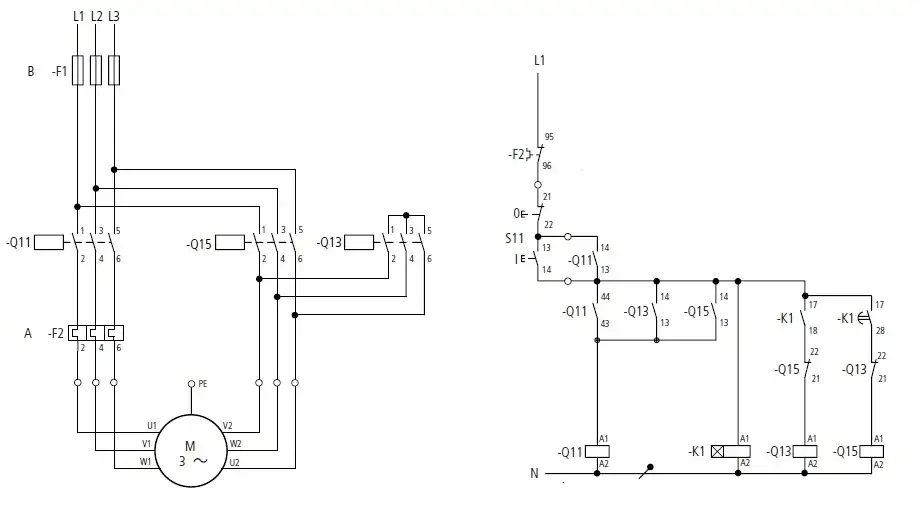
Zasada działania przełącznika gwiazda-trójkąt
Przełącznik gwiazda-trójkąt służy do łagodnego rozruchu silników trójfazowych. System wykorzystuje dwa układy połączeń uzwojeń silnika. Redukuje prąd rozruchowy aż o 65% w porównaniu do rozruchu bezpośredniego.
Podczas rozruchu gwiazda trójkąt najpierw aktywowany jest układ gwiazdy. Następnie, po osiągnięciu około 80% prędkości nominalnej, system automatycznie przełącza się w układ trójkąta. To zapewnia płynne rozpędzanie silnika.
Instalacja przełącznika gwiazda trójkąt znacząco wydłuża żywotność silnika. Dodatkowo pozwala zaoszczędzić energię elektryczną podczas rozruchu.
Niezbędne komponenty do wykonania układu
| Nazwa elementu | Funkcja | Parametry techniczne |
| Stycznik główny Q11 | Załączanie zasilania | Prąd znamionowy: 25-40A |
| Stycznik gwiazdy Q13 | Połączenie w gwiazdę | Prąd znamionowy: 25-40A |
| Stycznik trójkąta Q15 | Połączenie w trójkąt | Prąd znamionowy: 25-40A |
| Przekaźnik czasowy K1 | Sterowanie przełączeniem | Zakres: 0-60s |
Dobór elementów do układu rozruchowego gwiazda trójkąt silnika zależy od jego mocy. Wszystkie komponenty muszą być dostosowane do parametrów znamionowych silnika.
Schemat połączeń elektrycznych
Schemat styczników gwiazda trójkąt składa się z trzech głównych styczników. Każdy z nich pełni określoną funkcję w procesie rozruchu.
Układ wymaga precyzyjnego połączenia zacisków silnika z odpowiednimi stycznikami. Właściwe wykonanie połączeń gwarantuje bezpieczną pracę.
- Podłączenie zasilania do stycznika głównego Q11
- Połączenie uzwojeń silnika do stycznika gwiazdy Q13
- Wykonanie mostków między stycznikiem trójkąta Q15 a zaciskami
- Podłączenie przekaźnika czasowego K1
- Wykonanie połączeń sterowniczych między elementami
Oznaczenia przewodów i zacisków
Prawidłowe oznaczenie przewodów jest kluczowe dla bezpieczeństwa. Każdy przewód musi być jednoznacznie zidentyfikowany. Stosuje się oznaczenia zgodne z normami elektrycznymi.
Instrukcja montażu krok po kroku
Montaż rozrusznika gwiazda trójkąt wymaga szczególnej uwagi i precyzji. Przed rozpoczęciem prac należy upewnić się, że posiadamy wszystkie niezbędne komponenty i narzędzia.
- Zamontuj styczniki Q11, Q13 i Q15 na szynie montażowej
- Podłącz zasilanie do stycznika głównego Q11
- Wykonaj połączenia między stycznikami zgodnie ze schematem
- Podłącz uzwojenia silnika do odpowiednich zacisków
- Zamontuj i podłącz przekaźnik czasowy K1
- Wykonaj połączenia obwodów sterowniczych
- Sprawdź poprawność wszystkich połączeń
- Oznacz przewody zgodnie z dokumentacją
Podczas montażu zawsze przestrzegaj zasad bezpieczeństwa. Wszystkie prace wykonuj przy odłączonym napięciu.
Konfiguracja przekaźnika czasowego
Przekaźnik czasowy wymaga precyzyjnego ustawienia czasu przełączenia. Zbyt krótki czas może spowodować niepełne rozpędzenie silnika. Niewłaściwe ustawienie może prowadzić do uszkodzenia układu.
Parametry należy dobierać indywidualnie do charakterystyki silnika. Czas przyspieszania zależy od obciążenia i mocy urządzenia. Zawsze weryfikuj ustawienia podczas pierwszego uruchomienia.
Typowy czas przełączenia dla większości aplikacji wynosi od 5 do 10 sekund. W przypadku większych silników może być wydłużony do 15 sekund.
System zabezpieczeń układu
Połączenie gwiazda trójkąt silnika elektrycznego wymaga kompleksowych zabezpieczeń. Ich dobór musi uwzględniać charakterystykę chronionego urządzenia.
Zabezpieczenia nadprądowe chronią przed skutkami zwarć i przeciążeń. System blokad zapobiega nieprawidłowym stanom łączeniowym.
Przekaźniki termiczne monitorują temperaturę silnika. Ich działanie zapobiega uszkodzeniom izolacji uzwojeń.
| Typ zabezpieczenia | Sposób działania |
| Wyłącznik nadprądowy | Rozłącza obwód przy przekroczeniu prądu znamionowego |
| Blokada mechaniczna | Uniemożliwia jednoczesne załączenie styczników gwiazdy i trójkąta |
| Przekaźnik termiczny | Wyłącza silnik przy przegrzaniu |
| Blokada elektryczna | Zapewnia właściwą sekwencję łączeń |
Blokady mechaniczne i elektryczne
Blokady mechaniczne stanowią pierwszą linię zabezpieczeń. Uniemożliwiają fizyczne załączenie niewłaściwych kombinacji styczników. System wykorzystuje specjalne łączniki blokujące.
Blokady elektryczne realizowane są przez odpowiednie połączenia styków pomocniczych. Ich zadaniem jest zapewnienie właściwej kolejności załączania elementów. Sterowanie odbywa się przez przekaźnik czasowy.
Brak prawidłowo działających blokad może doprowadzić do poważnej awarii. Skutkiem może być zniszczenie silnika lub elementów układu rozruchowego.
Najczęstsze błędy montażowe
Nieprawidłowe wykonanie schematu styczników gwiazda trójkąt często wynika z podstawowych pomyłek. Najczęściej spotykane są błędy w kolejności podłączenia przewodów do zacisków silnika. Niedokładne dokręcenie przewodów może prowadzić do ich przegrzewania.
Złe ustawienie przekaźnika czasowego powoduje nieprawidłowy rozruch. Zbyt krótki czas przełączenia nie pozwala na osiągnięcie odpowiedniej prędkości. Problem może się nasilać przy większym obciążeniu.
Brak lub nieprawidłowe wykonanie instalacji przełącznika gwiazda trójkąt może skutkować poważnymi konsekwencjami. Szczególnie niebezpieczne jest pomijanie blokad między stycznikami. Takie uproszczenia mogą doprowadzić do zwarcia.
Regularne przeglądy i konserwacja znacząco redukują ryzyko awarii. Warto prowadzić dokumentację wszystkich prac serwisowych.
Procedura sprawdzenia poprawności instalacji
Weryfikacja układu rozruchowego gwiazda trójkąt silnika wymaga systematycznego podejścia. Pierwszym krokiem jest sprawdzenie ciągłości wszystkich połączeń. Test blokad mechanicznych i elektrycznych musi być przeprowadzony przed podaniem napięcia.
Kolejnym etapem jest kontrola działania przekaźnika czasowego. Należy zweryfikować poprawność sekwencji załączania styczników. Pomiar prądu rozruchowego pozwala ocenić skuteczność układu.
Wszystkie testy należy udokumentować w protokole rozruchowym. Do dokumentacji warto dołączyć zdjęcia wykonanych połączeń.
Prawidłowo wykonana instalacja przełącznika gwiazda trójkąt zapewnia bezpieczną i efektywną pracę silnika przez wiele lat. Dokumentacja testów stanowi cenne źródło informacji podczas późniejszych prac serwisowych.
Efektywny montaż i bezpieczna eksploatacja układu gwiazda-trójkąt
Instalacja przełącznika gwiazda trójkąt to precyzyjny proces wymagający odpowiedniego przygotowania i wiedzy technicznej. Kluczem do sukcesu jest właściwy dobór komponentów i ich prawidłowe połączenie. System ten znacząco zmniejsza obciążenie silnika podczas rozruchu, co przekłada się na jego dłuższą żywotność.
Bezpieczeństwo instalacji opiera się na trzech filarach: poprawnym montażu, odpowiednich zabezpieczeniach i regularnej kontroli. Szczególną uwagę należy zwrócić na blokady mechaniczne i elektryczne, które zapobiegają nieprawidłowym stanom łączeniowym. Właściwe oznaczenie przewodów i dokumentacja połączeń ułatwiają późniejszą konserwację i ewentualne naprawy.
Prawidłowo wykonany układ rozruchowy gwiazda trójkąt silnika to inwestycja w niezawodność i efektywność energetyczną. Systematyczne przeglądy i przestrzeganie procedur eksploatacyjnych pozwalają uniknąć większości typowych problemów, zapewniając długotrwałą i bezawaryjną pracę całego systemu.
