Podłączenie generatora prądu do domu to proces wymagający uwagi i przestrzegania zasad bezpieczeństwa. Wymaga to odpowiedniego przygotowania instalacji elektrycznej oraz doboru właściwego sprzętu. Kluczowe jest wybranie agregatu o odpowiedniej mocy i typie, dostosowanego do potrzeb gospodarstwa domowego. Właściwe podłączenie i obsługa generatora zapewniają bezpieczne zasilanie w przypadku przerw w dostawie prądu.
Najważniejsze informacje:- Wybierz agregat jednofazowy lub trójfazowy, zależnie od potrzeb
- Moc generatora powinna wynosić od 1500 do 6000 W
- Konieczna jest instalacja gniazda i przełącznika sieć-agregat
- Urządzenia włączaj stopniowo, aby uniknąć przeciążenia
- Generator musi stać w dobrze wentylowanym miejscu
- Zgłoś stałe podłączenie agregatu do dostawcy energii
Wybór odpowiedniego generatora prądu do domu
Wybór właściwego generatora prądu do domu to kluczowy krok w procesie podłączenia agregatu prądotwórczego. Dostępne są dwa główne typy agregatów: jednofazowe i trójfazowe. Generatory jednofazowe sprawdzają się w mniejszych domach, gdzie nie ma potrzeby zasilania dużych urządzeń. Trójfazowe są niezbędne, jeśli planujesz zasilanie domu agregatem o większej mocy, np. do obsługi kuchenek indukcyjnych czy pomp ciepła.
Moc agregatu to kolejny istotny czynnik. Dla podstawowych urządzeń wystarczy generator o mocy 1500-3500 W. Jednak jeśli myślisz o zasilaniu domu agregatem w pełnym zakresie, rozważ urządzenie o mocy około 6 kW. Pamiętaj, że lepiej wybrać agregat o nieco większej mocy niż potrzebujesz, aby mieć zapas na wypadek dodatkowego obciążenia.
Nie zapomnij o regulatorze AVR (Automatic Voltage Regulator). To kluczowy element, który zapobiega uszkodzeniom wrażliwych urządzeń elektronicznych podczas instalacji generatora w domu. AVR stabilizuje napięcie wyjściowe, co jest szczególnie ważne przy zasilaniu komputerów, telewizorów czy sprzętu audio.
Porównanie generatorów jednofazowych i trójfazowych
| Cecha | Generator jednofazowy | Generator trójfazowy |
|---|---|---|
| Moc | Do 3500 W | Powyżej 3500 W |
| Zastosowanie | Małe domy, podstawowe urządzenia | Duże domy, urządzenia przemysłowe |
| Zalety | Niższy koszt, mniejsze zużycie paliwa | Większa moc, efektywność energetyczna |
| Wady | Ograniczona moc, mniej wszechstronny | Wyższy koszt, większe gabaryty |
Przygotowanie instalacji elektrycznej do podłączenia agregatu
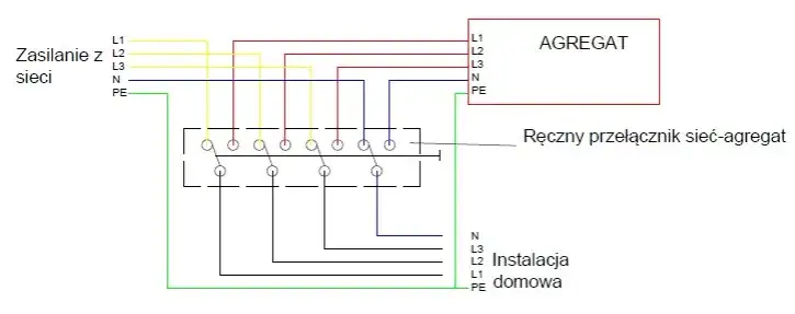
Podłączenie agregatu prądotwórczego wymaga odpowiedniego przygotowania instalacji elektrycznej. Kluczowym elementem jest zainstalowanie specjalnego gniazda do podłączenia generatora oraz przełącznika sieć-agregat w tablicy rozdzielczej. Te modyfikacje są niezbędne dla bezpiecznego podpięcia agregatu do instalacji domowej.
Przełącznik sieć-agregat to urządzenie, które umożliwia bezpieczne przełączanie między zasilaniem z sieci energetycznej a generatorem. Jest to kluczowy element zapobiegający przepięciom i potencjalnym uszkodzeniom sprzętu podczas uruchomienia generatora w domu. Pamiętaj, że te prace powinien wykonać wykwalifikowany elektryk.
Instalacja gniazda i przełącznika: krok po kroku
- Wyłącz główne zasilanie domu.
- Wybierz odpowiednie miejsce dla gniazda agregatu, najlepiej blisko tablicy rozdzielczej.
- Zainstaluj gniazdo agregatu zgodnie z jego specyfikacją.
- Zamontuj przełącznik sieć-agregat w tablicy rozdzielczej.
- Podłącz przewody między gniazdem, przełącznikiem a tablicą rozdzielczą.
- Sprawdź wszystkie połączenia i upewnij się, że są prawidłowo izolowane.
- Przeprowadź testy bezpieczeństwa przed pierwszym użyciem.
Czytaj więcej: Odpływ Liniowy: Ile Kosztuje Montaż? Nowoczesna Łazienka
Proces podłączania generatora prądu do domu
Jak podłączyć generator prądu do domu? Proces ten rozpoczyna się od ustawienia agregatu w bezpiecznym, dobrze wentylowanym miejscu na zewnątrz budynku. Następnie, podłącz generator do wcześniej zainstalowanego gniazda przy użyciu odpowiedniego kabla. Upewnij się, że wszystkie urządzenia w domu są wyłączone przed rozpoczęciem procedury.
Kolejnym krokiem jest uruchomienie agregatu zgodnie z instrukcją producenta. Po osiągnięciu przez generator stabilnych obrotów, przełącz przełącznik w tablicy rozdzielczej na pozycję "agregat". To kluczowy moment w procesie podłączenia agregatu prądotwórczego, który odcina dopływ prądu z sieci i rozpoczyna zasilanie domu z generatora.
Teraz możesz stopniowo włączać urządzenia domowe, zaczynając od tych najbardziej potrzebnych. Pamiętaj, aby nie przekraczać mocy generatora. Gdy zasilanie z sieci zostanie przywrócone, procedurę należy odwrócić: wyłącz urządzenia, przełącz przełącznik na "sieć", a następnie wyłącz i odłącz generator. Takie podejście zapewnia bezpieczne uruchomienie generatora w domu.
Bezpieczne umiejscowienie agregatu
Prawidłowe umiejscowienie generatora jest kluczowe dla bezpieczeństwa podczas instalacji generatora w domu. Agregat powinien być ustawiony na zewnątrz, w odległości co najmniej 5 metrów od budynku. Zapewni to odpowiednią wentylację i zminimalizuje ryzyko zatrucia tlenkiem węgla.
Wybierz stabilne, równe podłoże i zabezpiecz generator przed warunkami atmosferycznymi. Dobrym rozwiązaniem jest stworzenie zadaszonej, ale otwartej z boków konstrukcji, która ochroni urządzenie przed deszczem, jednocześnie zapewniając swobodny przepływ powietrza.
Nieprawidłowe użytkowanie generatora może prowadzić do poważnych zagrożeń. Nigdy nie używaj agregatu w zamkniętych pomieszczeniach ze względu na ryzyko zatrucia tlenkiem węgla. Upewnij się, że generator jest odpowiednio uziemiony, aby uniknąć porażenia prądem. Regularnie sprawdzaj stan przewodów i połączeń, aby zapobiec ryzyku pożaru.
Prawidłowe użytkowanie generatora prądu w domu
Efektywne zasilanie domu agregatem wymaga odpowiedniego zarządzania obciążeniem. Zacznij od włączenia najważniejszych urządzeń, takich jak lodówka czy system ogrzewania. Następnie stopniowo dodawaj mniej istotne sprzęty, obserwując wskaźniki obciążenia na generatorze.
Kluczowe jest unikanie jednoczesnego uruchamiania wielu urządzeń o dużym poborze mocy. Na przykład, jeśli musisz użyć piekarnika elektrycznego, wyłącz tymczasowo inne energochłonne sprzęty. Takie podejście pozwoli ci efektywnie wykorzystać moc generatora i uniknąć jego przeciążenia podczas podpięcia agregatu do instalacji domowej.
Aby oszczędzać paliwo, staraj się ograniczać użycie urządzeń do niezbędnego minimum. Wyłączaj sprzęty, których nie używasz, i rozważ zastosowanie energooszczędnych żarówek LED. Regularne serwisowanie generatora również przyczyni się do jego wydajniejszej pracy i mniejszego zużycia paliwa.
Lista priorytetowych urządzeń do zasilania
- Lodówka i zamrażarka
- System ogrzewania lub klimatyzacji
- Oświetlenie (preferowane LED)
- Pompy wodne i systemy kanalizacyjne
- Telefony komórkowe i laptopy (ładowanie)
- Kuchenka elektryczna lub mikrofalówka
- Radio (dla informacji o sytuacji kryzysowej)
Formalności związane z podłączeniem generatora do instalacji domowej
Montaż generatora prądu w domu wymaga zgłoszenia tego faktu do lokalnego dostawcy energii elektrycznej. Jest to konieczne ze względów bezpieczeństwa i zgodności z przepisami. Proces ten obejmuje przygotowanie dokumentacji technicznej, która powinna zawierać schemat instalacji, specyfikację generatora oraz opis zastosowanych zabezpieczeń.
Po złożeniu zgłoszenia, przedstawiciel firmy energetycznej przeprowadzi odbiór techniczny instalacji. Sprawdzi on poprawność montażu, działanie przełącznika sieć-agregat oraz ogólne bezpieczeństwo systemu. Pozytywny wynik kontroli jest niezbędny do legalnego podpięcia agregatu do instalacji domowej.
Konserwacja i utrzymanie generatora prądu
Regularna konserwacja jest kluczowa dla zapewnienia niezawodności generatora podczas zasilania domu agregatem. Podstawowe czynności obejmują wymianę oleju, czyszczenie lub wymianę filtrów powietrza i paliwa oraz sprawdzanie świec zapłonowych. Częstotliwość tych działań zależy od modelu generatora i intensywności jego użytkowania.
Gdy generator nie jest używany, przechowuj go w suchym, zadaszonym miejscu. Przed dłuższym okresem nieużywania, opróżnij zbiornik paliwa lub dodaj stabilizator paliwa. Regularnie uruchamiaj generator na krótki czas, aby utrzymać jego komponenty w dobrym stanie. Takie podejście zapewni, że twój agregat będzie gotowy do uruchomienia generatora w domu w każdej chwili.
Harmonogram przeglądów generatora
| Czynność | Częstotliwość |
|---|---|
| Wymiana oleju | Co 50-100 godzin pracy lub raz w roku |
| Czyszczenie filtra powietrza | Co 25-50 godzin pracy |
| Wymiana filtra paliwa | Co 100-200 godzin pracy |
| Sprawdzenie świec zapłonowych | Co 100 godzin pracy |
| Pełny przegląd techniczny | Raz w roku lub co 300 godzin pracy |
Czy warto inwestować w stały generator prądu do domu?
Inwestycja w stały generator do zasilania domu agregatem ma swoje zalety. Zapewnia niezależność energetyczną w przypadku długotrwałych przerw w dostawie prądu, co jest szczególnie cenne na obszarach często doświadczających awarii sieci. Stały generator może automatycznie uruchomić się w momencie zaniku zasilania, minimalizując niedogodności.
Z drugiej strony, koszty zakupu i instalacji generatora w domu mogą być znaczące. Oprócz ceny samego urządzenia, należy uwzględnić koszty profesjonalnego montażu, regularnej konserwacji oraz paliwa. Warto też pamiętać o potencjalnym wzroście wartości nieruchomości wyposażonej w niezależne źródło zasilania.
Decyzja o inwestycji powinna uwzględniać indywidualne potrzeby i okoliczności. Dla osób mieszkających w regionach z niestabilną siecią energetyczną lub prowadzących działalność zależną od stałego dostępu do prądu, korzyści mogą przewyższać koszty. Jednak dla mieszkańców obszarów z rzadkimi przerwami w dostawie energii, okresowe podłączenie agregatu prądotwórczego może być wystarczającym rozwiązaniem.
Klucz do niezależności energetycznej: kompleksowy przewodnik po podłączaniu generatora prądu
Podłączenie generatora prądu do domu to proces, który wymaga starannego planowania i wykonania. Począwszy od wyboru odpowiedniego agregatu, przez przygotowanie instalacji elektrycznej, aż po właściwe użytkowanie i konserwację - każdy etap jest istotny dla bezpiecznego i efektywnego zasilania domu agregatem.
Pamiętaj, że montaż generatora prądu to nie tylko kwestia techniczna, ale także formalna. Zgłoszenie instalacji do dostawcy energii i przestrzeganie zasad bezpieczeństwa są równie ważne jak sama instalacja generatora w domu. Regularna konserwacja zapewni niezawodność agregatu w sytuacjach kryzysowych.
Decyzja o inwestycji w stały generator powinna być podjęta po dokładnej analizie potrzeb i możliwości. Niezależnie od wyboru, właściwe podpięcie agregatu do instalacji domowej i jego odpowiednie użytkowanie zapewnią spokój i komfort podczas przerw w dostawie prądu.
